OKD-LP7
發布時間:2021-03-16 15:10瀏覽次數:1844



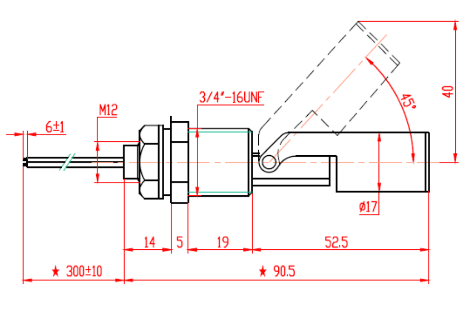
產品尺寸:

產品參數:
類別 | 1A1 | 2A1 |
最大功率 | 10W | 50W |
最大開關電壓 | 100VAC/100VDC | 300VAC/350VDC |
最大開關電流 | 0.5A | DC0.7A/AC0.5A |
最小崩潰電壓 | 110V | 300VAC/350VDC |
最大負載電流 | 1.0A | 2.5A |
最大接觸電阻 | 100mΩ | 100mΩ |
溫度范圍 | -10~+85℃ | -10~+85℃ |
浮球材質 | pp | pp |
本體材質 | pp | pp |
基本參數:
安裝形式 | 側壁安裝 |
安裝尺寸 | M12 |
動作特性 | 上浮接通或下浮接通(可選) |
使用介質 | 水、油、化工類介質 |
溫度范圍 | –10~+85℃ |
壓力范圍 | 0.2MPa |
安裝使用說明:
1、安裝位置應遠離進水口,否則開關會因進水口的波動而造成誤動作。
2、被控制線路負載必須與浮球開關接點容量相匹配。
3、被測液體的比重必須大于浮球比重。
4、浮球的動作點已按客戶訂貨要求在出廠時調整好,請不要隨意調整浮球位置。



